Kabelstige LCIS 60, 6 m C30 FT

Art.nr. 6209643 | EAN 4012196431786 | El.Nr 1300466

6000 mm
1,5 mm
nei
Produktbeskrivelse
Produktbeskrivelse
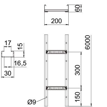
Kabelstige med sidehøyde 60 mm med sveisede C30-profilsprosser som åpner oppover. Sidevange med buet kant som forsterking og kantbeskyttelse. Festet til utliggeren gjøres med klemstykker type LKS 40. Sprossens slissemål er 16,5 mm, passende bøyleklammer er type 2056.
Magnetisk skjermdemping uten lokk 10 dB, med lokk 15 dB.
  • Communautés Européennes, EG-conformiteitsverklaring volgens EG-richtlijnen
  • UKCA samsvarserklæring
  • Kabelladder, zijkanthoogte 60 mm
  • Miljøprodukterklæring (EPD)
  • CO₂-fotavtrykk (PCF)
Tekniske data

Tekniske data

Bjelketykkelse 1,5 mm
Bredde 200 mm
CO2-fotavtrykk (GWP) fra vugge til port 6,1553 kg CO2e / 1 Meter
Dimensjon 60x200x6000
Farge zink
Feste til sprossen sveiset
Forsterket utførelse nei
Høyde 60 mm
Lengde 6000 mm
Mål B 200 mm
Materiale stål
Nytte- tverrsnitt 80 cm²
Nytte- tverrsnitt 8000 mm²
Opprettholdelse av funksjon nei
Overflate Varmgalvanisert (dypp)
Rustfritt stål, etset nei
Sidehull ja
Spormål sprosse 17,00
Sprosseavstand 300 mm
Støtteavstand 1,5m 3,3 kN/m
Støtteavstand 2,0m 2 kN/m
Støtteavstand 2,5m 1,3 kN/m
Støtteavstand 3,0m 1 kN/m
Støtteavstand 3,5m 0,78 kN/m
Støtteavstand 4,0m 0,4 kN/m
Støtteavstand 4,5m 0,3 kN/m
Støtteavstand 5,0m 0,2 kN/m
Utførelse av sprossene Profil perforert
Utførelse til sidebjelken flat profil

Tekniske data

Belastningsdiagram kabelstige type LCIS 60

Belastningsdiagram kabelstige type LCIS 60
  • Tillatt belastning av kabelrenne/-stige i kN/m uten personlast Tillatt belastning av kabelrenne/-stige i kN/m uten personlast
  • Spennvidde i m Spennvidde i m
  • Profilbøyning i mm ved tillatt kN/m Profilbøyning i mm ved tillatt kN/m
  • Belastningsskjema ved testing Belastningsskjema ved testing
  • Belastningskurve med bredde på kabelrenne/-stige i mm Belastningskurve med bredde på kabelrenne/-stige i mm
  • Profilbøyning etter støttelengde Profilbøyning etter støttelengde
Alle typer

Alle typer

Type Lengde Bredde Bjelketykkelse Opprettholdelse av funksjon El.Nr Art.nr. Mengde Minste salgsenhet
LCIS 620 6 FT 6000 mm 200 mm 1,5 mm nei 1300466 6209643
6 m
LCIS 630 6 FT 6000 mm 300 mm 1,5 mm nei 1300467 6209645
6 m
LCIS 640 6 FT 6000 mm 400 mm 1,5 mm nei 1300468 6209647
6 m
LCIS 650 6 FT 6000 mm 500 mm 1,5 mm nei 1300469 6209649
6 m
LCIS 660 6 FT 6000 mm 600 mm 1,5 mm nei 1300470 6209651
6 m
Tilbehør

Systemtilbehør

Produkter Type El.Nr Art.nr. Mengde Minste salgsenhet
Lokk med vrid lås FT Lokk med vrid lås FT DRL 200 FT ----- 6051367
3 m
Langsgående skjøtestykke FT Langsgående skjøtestykke FT LVG 60 FT 1300476 6208843
10 Stykk
Leddskjøtestykke FT Leddskjøtestykke FT LGVG 60 FT 1300478 6208944
10 Stykk
90°-bend 60 FT 90°-bend 60 FT LB 90 620 R3 FT ----- 6225062
1 Stykk
Monteringsfordelingsstykke 60 FT Monteringsfordelingsstykke 60 FT LAA 620 R3 FT ----- 6225870
1 Stykk
Beskyttelseskappe 60 Beskyttelseskappe 60 SKH 60 OR ----- 6222537
40 Par
Skillevegg 45 DD Skillevegg 45 DD TSG 45 DD ----- 6062321
3 m
Utgangsplate FT Utgangsplate FT LAB 20 FT ----- 6220436
1 Stykk
Nedlastinger

Last ned

Last ned
Miljøprodukterklæring (EPD) LCIS 620 6 FT / 6209643 , 1.48MB , pdf
Last ned

Last ned
Last ned

LCIS 620 6 FT / 6209643
Last ned